前回、シーケンス制御を使って2つのLEDの点灯・点滅を制御しました。
shizenkarasuzon.hatenablog.com
この記事では、前回の回路を例にして、「シーケンス図」の書き方について簡単に説明します。
1.シーケンス図とは?
シーケンス図とは、シーケンス制御で使用する電気回路専用の回路図です。
例えば、前回の記事で下のような回路を製作しました。

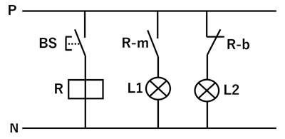
これを、シーケンス図で表すとこのようになります。

通常の回路図とは少しずつ違った点があります。シーケンス図のルールを守って回路図を書くことで、この回路がどのように動くのかがより分かりやすくなります。
シーケンス図の書き方
では、先ほどのシーケンス図の書き方について説明します。
先ほどのシーケンス図のそれぞれのアルファベットや記号は、次のような意味があります。

それぞれ解説していきます。
(1)電源について
まず、シーケンス図を書く時には、電源の記号は書きません。
代わりに、電源のプラス極と接続されている線に「P」と表記して、マイナス極と接続されている線に「N」と表記します。これは、プラス(極)・マイナス(極)を表す「Positive」と「Negative」の頭文字だと思います。また、交流電流の場合は、「P」や「N」の代わりに「R」と「S」を使用します。
また、プラスの線を一番上に水平に引いて、マイナスの線を回路の一番下に水平に引いたほうが見やすくなります。
(2)電磁リレーの描き方
電磁リレーは、上の図のように横長の長方形と中心線で表します。そして、「リレー」を表す「Relay」の頭文字の「R」をその近くに書きます。
電磁リレーが複数ある場合は、1つ目の電磁リレーを「R1」、2つ目を「R2」...と番号付けをする場合が多いです。
(3)接点の描き方
電磁リレーには「メイク接点」と「ブレイク接点」という2種類の接点があります。
メイク接点は電磁石をONにすると導通(ON)になる接点で、反対にブレイク接点は電磁リレーをOFFにした時のみONになる接点です。
そして、それぞれの描き方ですが、メイク接点は通常のスイッチをと同じような回路図です。ただし、メイク接点であるということを示すために「R-m」と書いています。「R」は「リレーの接点だよ」ということを表しており、リレーが複数あり「R1」「R2」...があるときはそれに対応して「R1-m」や「R2-m」と書きます。
また、「-m」はメイク接点であることを表しています。
次にブレイク接点の描き方を紹介します。ブレイク接点は↑の図を見るとわかるように、下のように書きます。

そして、その近くに「R-b」と書きます。RはリレーのR、bはブレイク接点のbです。
その他のルール
シーケンスう制御を書く上でm、上記以外のルールを説明します。
接点は上部に書く
基本的に接点とランプなどの他の電気部品が同じ配線上にある場合、接点を上に書き、ランプ等のその他の部品を下に書きます。
やむをえない場合は下に書いてもOkです。
リレーは下に描く
リレー(電磁石)やランプは、回路図の下の方、つまりマイナス極に近いほうに書きます。
シーケンス制御の利点
なぜ、シーケンス図という考え方があるのでしょうか?
それは、ずばり「リレーの接点と電磁石を分離して書くことで、回路図を見やすくするためです。
通常の回路図には、「1つの部品=1つの回路図の記号」というルールがあります。当然のことなのですが、このルールをシーケンス図に適応しようとすると、大変なことになります。なぜなら、シーケンス制御で多用される電磁リレーは「接点を開閉する電磁石」と「電磁石によって開閉される接点(スイッチ)」という、異なる機能を持った2つの部品があるからです。
これを単に「1つの電気部品じゃん」という理由で一つにまとめようとすると、回路図がぐちゃぐちゃになります。もともと、電磁リレーは「電磁石をON/OFFするための回路」と「接点を使って他の回路をON/OFFする」という2つの回路の情報伝達役なので、1つにまとめようとすること自体間違っています。
ということで、「電磁リレー」を「電磁石」と「接点」の二つの部品に分けて、見やすくした回路図が「シーケンス図」ということです。